在现代照明和电子设备领域,LED(Light Emitting Diode)技术的广泛应用已成为常态。而LED驱动电源作为LED灯具中至关重要的组成部分,其性能对于LED灯具的亮度、稳定性和寿命具有至关重要的影响。因此,本文将深入探讨LED驱动电源的技术方案、优化策略以及最佳实践,帮助工程师和设计师更好地理解和应用LED驱动电源技术。
1. LED驱动电源的基本原理
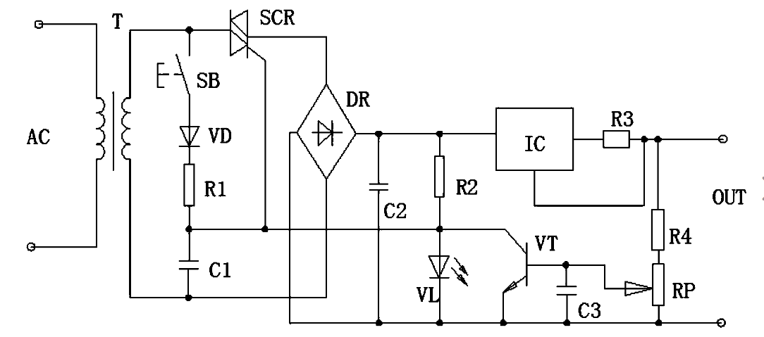
LED驱动电源主要作用是将输入电源转换为适合LED工作的电流和电压。其基本原理是通过电路将交流电源转换为直流电源,并通过调节电流和电压来确保LED的正常工作。常见的LED驱动电源类型包括恒流型、恒压型和恒流恒压型。

2. LED驱动电源的优化方案
2.1 高效能转换
LED驱动电源的高效能转换是确保LED灯具性能优越的关键之一。采用高效能的转换器和优化的电路设计可以降低能量损耗,提高整体效率。常见的提高效率的方法包括电感和电容的选择优化、开关管的选型以及功率因数校正技术的应用等。
2.2 温度管理
LED驱动电源在工作过程中会产生一定的热量,过高的温度会影响电路的稳定性和寿命。因此,良好的温度管理是LED驱动电源设计中不可忽视的一环。有效的散热设计、温度传感器的应用以及智能温控系统的采用都可以帮助提高LED驱动电源的稳定性和可靠性。
2.3 EMC设计
电磁兼容性(EMC)是LED驱动电源设计中需要重点考虑的问题之一。良好的EMC设计可以有效地抑制电磁干扰,避免对周围电子设备的干扰,并确保LED灯具在各种工作环境下的正常工作。常见的EMC设计方法包括滤波器的添加、地线设计优化以及屏蔽措施的采用等。

3. LED驱动电源的最佳实践
3.1 选择合适的拓扑结构
LED驱动电源的拓扑结构选择直接影响到电路的性能和效率。常见的拓扑结构包括开关电源、线性电源、谐振变换器等,设计师需要根据具体应用场景的要求选择合适的拓扑结构。
3.2 严格的质量控制
LED驱动电源作为LED灯具中的核心组成部分,其质量直接关系到LED灯具的性能和寿命。因此,严格的质量控制是保障LED驱动电源性能稳定性和可靠性的重要手段。从原材料采购到生产过程的每一个环节都需要进行严格的质量控制,确保产品符合相关标准和要求。
3.3 灵活的设计方案
LED驱动电源的设计需要考虑到不同的应用场景和需求,因此设计师需要具备一定的灵活性。针对不同的应用需求,可以采用调光技术、远程控制技术以及多路并联设计等灵活的设计方案,满足用户的个性化需求。
结语
LED驱动电源作为LED灯具中至关重要的组成部分,其性能对LED灯具的亮度、稳定性和寿命具有至关重要的影响。通过优化方案和最佳实践,可以有效提高LED驱动电源的效率、稳定性和可靠性,为LED灯具的应用提供更加优质的解决方案。